Hak

Wciągarka elektryczna z przekładnią ślimakową

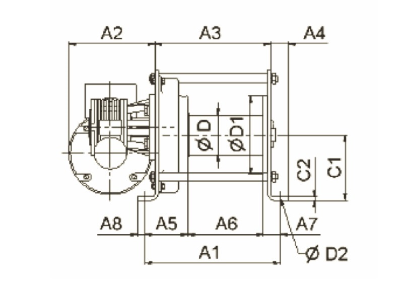
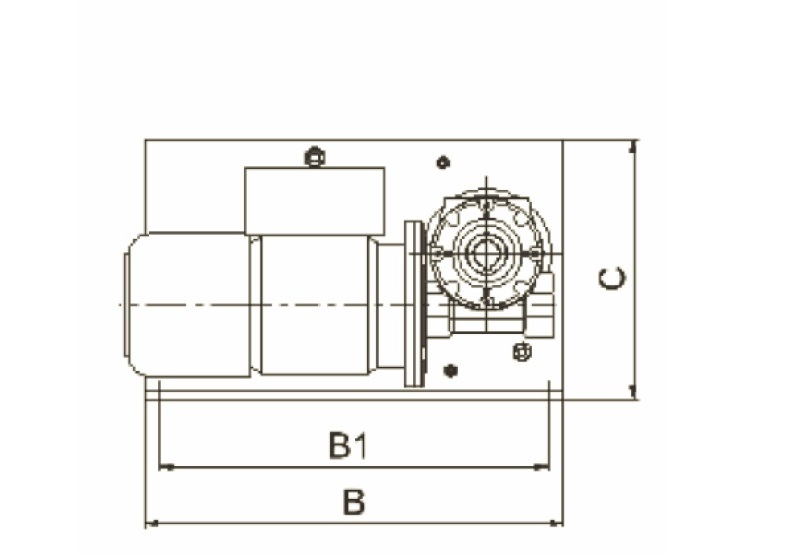
Wciągarki elektryczne typu EW wyposażone są w przekładnię ślimakową, która przekazuje napęd z silnika elektrycznego na bęben linowy. Urządzenia cechują się kompaktową budową oraz solidną konstrukcją. Dostępne są w wersjach zasilanych napięciem 230V i 400V. Wszystkie modele wyposażone są w bezobsługowe łożyska. Standardowo dostarczane są jako wyciągarki, jednak na życzenie mogą zostać dostosowane do funkcji wciągarek podnoszących. Większość elementów wykonana jest ze stali zabezpieczonej powłoką lakierniczą lub ocynkowanej.

  Jednostka EW125 EW250 EW500 EW990 EW1000 EW2000
Udźwig:              
- dla pierwszej warstwy liny kg 125 250 500 990 1000 2000
- dla ostatniej warstwy liny kg 90 180 340 780 780 1560
Prędkość podnoszenia dla pierwszej warstwy liny m/min 7,8 (15) 5 (10) 2,5 (5) 4,5 4,5 2,3
Przekrój liny mm 4 4 6 8 8 11
Maksymalna długość liny na jednym bębnie m 32 35 30 30 30 30
Min. siła zrywająca linę kN 5 9 18 36 36 70
Moc wyjściowa silnika kW 0,37 (0,75) 0,37 (0,75) 0,37 (0,75) 1,3 1,3 1,3
Natężenie prądu A 4 (5,2) 4 (5,2) 4 (5,2) 9,1 9,1 9,1
Masa własna kg 27 37 40 88 88 160
Mocowanie do podłoża   4 x M8 klasa 4.6 4 x M10 klasa 4.6 4 x M10 klasa 4.6 4 x M12 klasa 4.6 4 x M12 klasa 4.6 4 x M16 klasa 4.6

 

Wciągarka elektryczna z przekładnią ślimakową

Wciągarki elektryczne typu EW wyposażone są w przekładnię ślimakową, która przekazuje napęd z silnika elektrycznego na bęben linowy. Urządzenia cechują się kompaktową budową oraz solidną konstrukcją. Dostępne są w wersjach zasilanych napięciem 230V i 400V. Wszystkie modele wyposażone są w bezobsługowe łożyska. Standardowo dostarczane są jako wyciągarki, jednak na życzenie mogą zostać dostosowane do funkcji wciągarek podnoszących. Większość elementów wykonana jest ze stali zabezpieczonej powłoką lakierniczą lub ocynkowanej.

Zalety:

  • solidna i bezpieczna konstrukcja;
  • model podstawowy może być stosowany jako wyciągarka;
  • bezobsługowe łożysko kulkowe;
  • stopień ochrony IP54, klasa izolacji B;
  • ochrona przed przeciążeniem od 1000kg – 2000kg w standardzie;
  • kaseta sterująca z przewodem o długości 1m;
  • tryb pracy S3 – 40% - 120 c/h

Opcjonalne wyposażenie:

  • dostępna jako wciągarka (wyposażona w ogranicznik i sterowanie niskonapięciowe);
  • zwiększenie długości kabla o 10m;
  • rowkowany bęben;
  • 2 bębny na linę;
  • sprzęgło rozłączne (nie dla modelu EW125);
  • naścienna kaseta sterująca;
  • wyłączniki krańcowe dla zastosowań zewnętrznych;
  • zabezpieczenie elektryczne przed przeciążeniem dla udźwigu poniżej 1000 kg;
  • sterowanie niskonapięciowe 42V;
  • prędkość dwubiegowa (tylko dla 125, 250 i 500kg);
  • sterowanie radiowe;
  • sterowanie falownikiem;
  • certyfikat ATEX II 3 GD T4, odpowiedni dla stref 2 i 22

Znakowanie: indywidualny numer serii, DOR (WLL), rok produkcji.

Dokumentacja: Deklaracja Zgodności CE, instrukcja eksploatacji obsługi i konserwacji.

Wyślij zapytanie ofertowe

Sprawdź również

Wciągnik łańcuchowy elektryczny wzmocniony LK 400/24V
Wciągnik łańcuchowy elektryczny hakowy jednofazowy SR 230/24VAC
Wciągnik łańcuchowy elektryczny hakowy niskonapięciowy SR 24V 2-biegowy
Wciągnik łańcuchowy elektryczny hakowy niskonapięciowy SR 24V 1-biegowy
Wciągnik łańcuchowy elektryczny hakowy 400V 2-biegowy
Wciągnik łańcuchowy elektryczny hakowy 400V 1-biegowy
Wciągnik łańcuchowy elektryczny hakowy BETA
Wciągnik łańcuchowy elektryczny przejezdny wózek elektryczny ALCMS 400V
Wciągnik łańcuchowy elektryczny hakowy ALPHA 400V
Wciągnik łańcuchowy elektryczny hakowy FBH 400V 2-biegowy
Wciągnik łańcuchowy elektryczny hakowy FAH 400V 1-biegowy
Wózek elektryczny do wciągników elektrycznych
Wciągnik elektryczny łańcuchowy silnik 3-fazowy 2-biegowy
Wciągnik elektryczny łańcuchowy silnik 1-fazowy 1-biegowy
Wciągarka linowa elektryczna AW
Wciągnik łańcuchowy elektryczny EKZT zawieszenie na haku
Zestaw ZELK wciągnik elektryczny linowy z ramieniem przyściennym obrotowym
Wciągnik linowy elektryczny MES
Wciągnik elektryczny elektryczny przejezdny wózek dwubiegowy MH/3A 125 - 2000kg
Wciągnik elektryczny elektryczny przejezdny wózek jednobiegowy MH/3 125 - 2000kg

Zapisz się do newslettera