Hak

Haki jednorożne DIN 15401 odkuwka

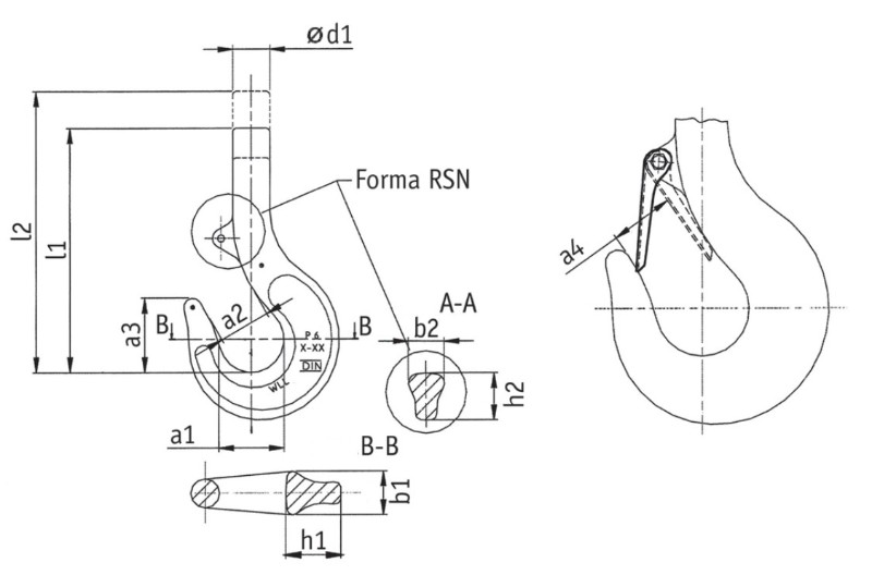
Haki jednorożne według normy DIN 15401 - odkuwki stalowe przeznaczone do zastosowania w zbloczkach linowych.
Charakteryzują się wysoką wytrzymałością oraz solidną konstrukcją, zapewniającą bezpieczeństwo i niezawodność podczas podnoszenia i transportu ładunków.

Udźwig haka dla grupy natężenia pracy wg FEM 9.511
Nr haka 1Bm  3M 1Am  4M 2m  5M 3m  6M 4m  7M 5m  8M
[ t ]
1 2.500 2.000 1.600 1.250 1.000 800
1,6 4.000 3.200 2.500 2.000 1.600 1.250
2,5 6.300 5.000 4.000 3.200 2.500 2.000
4 10.000 8.000 6.300 5.000 4.000 3.200
5 12.500 10.000 8.000 6.300 5.000 4.000
6 16.000 12.500 10.000 8.000 6.300 5.000
8 20.000 16.000 12.500 10.000 8.000 6.300
10 25.000 20.000 16.000 12.500 10.000 8.000
12 32.000 25.000 20.000 16.000 12.500 10.000

 

Haki jednorożne DIN 15401 odkuwka

Haki jednorożne według normy DIN 15401 - odkuwki stalowe przeznaczone do zastosowania w zbloczkach linowych.
Charakteryzują się wysoką wytrzymałością oraz solidną konstrukcją, zapewniającą bezpieczeństwo i niezawodność podczas podnoszenia i transportu ładunków.

Opis techniczny:

  • wykonane zgodnie z normą DIN 15401,
  • klasa materiału P; StE 355 stal węglowa,
  • posiadają zabezpieczenia gardzieli wymagane przez UDT,
  • wymiarami dostosowane do PN-88/N-84510.

Zastosowanie:

  • zblocza linowe urządzeń dźwignicowych.

Znakowanie:

  • nr identyfikacyjny haka (nr wytopu),
  • nr haka.

Dokumentacja:

  • Deklaracja Zgodności CE.

Wyślij zapytanie ofertowe

Sprawdź również

Haki dwurożne uniwersalne
Haki jednorożne uniwersalne
Haki dwurożne DIN 15411 ze sworzniem typu C
Haki dwurożne DIN 15411 ze sworzniem typu B
Haki dwurożne DIN 15402 z nakrętką
Haki dwurożne DIN 15402 odkuwka
Haki jednorożne DIN 15411 ze sworzniem typu C
Haki jednorożne DIN 15411 ze sworzniem typu B
Haki jednorożne DIN 15401 z nakrętką

Zapisz się do newslettera